«АльфаСтройМет»
г. Краснодар 8(863)209-83-68 E-mail: zakaz@asmet-yug.ru
г. Краснодар 8(863)209-83-68 Наличный/безналичный расчёт. Выставление счёта RUB ₽
Пн - Чт: c 8.00 - 18.00
Пт: с 08:00 - 17:00
Сб - Вс: выходной
8(863)209-83-68 Показать

zakaz@asmet-yug.ru

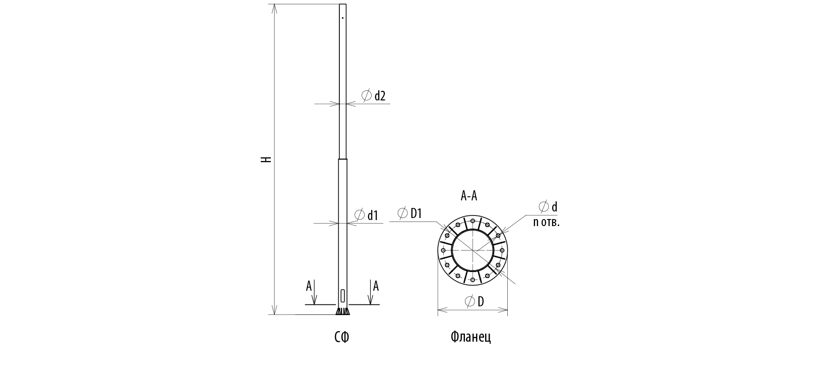
Силовая опора освещения трубчатая СФ

Характеристики:

Высота (мм)
9000, 8500
Есть вопросы? Задайте их нашему менеджеру!
8(863)209-83-68 Показать
Описание
  • Описание
  • Оплата
  • Доставка

Силовые трубчатые фланцевые опоры СФ (ОСФ, ОСФТ) предназначены для установки на магистральных дорогах, улицах городов, площадях.

Подвод питающего кабеля в основном осуществляется воздушным путем, также возможен и подземный подвод кабеля.

В случае подземного подвода кабеля в нижней части опоры изготавливается люк, который позволяет осуществлять монтаж и эксплуатацию коммутирующего устройства. Монтажное окно закрывается крышкой, исключающей попадание атмосферных осадков и несанкционированного проникновения

Опоры комплектуются кронштейнами для установки консольных светильников с различными направлениями относительно оси опоры.

Опоры выполнены из стальных труб различного диаметра. Сталь для элементов конструкции выбирается исходя из условий эксплуатации согласно СНиП II-23-81 «Стальные конструкции».

Их отличает paвнoмepнoe pacпpeдeлeниe нaгpузки нa cтвoл блaгoдapя кpуглoму ceчeнию.

Способ подвода питающего кабеля: 01 - воздушный, 02 - подземный.

Максимальная горизонтальная нагрузка в верхней точке опоры: 400 и 700кг.

Рекомендуемые кронштейны для светильников: тип К, КУ, АК серии Модерн.

Защита от коррозии обеспечена методом горячего цинкования по ГОСТ 9307-89 с гарантией 25-30   лет.

Монтаж осуществляется на заранее забетонированные фланцевые закладные элементы, в том числе выносные. Параметры фундамента определяются расчетом и зависят от зоны эксплуатации опор и параметров грунта.

Наименование опоры

Нагрузка, кг

H, м

d1, мм

d2, мм

Масса, кг

Диаметр обечайки кронштейна, м

Размер опорного фланца D, мм

Межцентровое расстояние D1, мм

Количество отверстий n, шт

Диаметр отверстий d, мм

Крепежный комплект

Рекомендуемая закладная

СФ-400-8,5-0,1 400 8,5 219 159 345 0,18 Ø400 Ø360 8 22 КК1-ОПТ8-М20 ОПТ8-d360-М20-2,0(219)
ОПТВ8-d360-М20-2,5-1,4(219)
СФ-400-8,5-0,2 400 8,5 219 159 345 0,18 Ø400 Ø360 8 22 КК1-ОПТ8-М20 ОПТ8-d360-М20-2,0(219)
ОПТВ8-d360-М20-2,5-1,4(219)
СФ-400-9,0-0,1 400 9 219 159 378 0,18 Ø400 Ø360 8 22 КК1-ОПТ8-М20 ОПТ8-d360-М20-2,0(219)
ОПТВ8-d360-М20-2,5-1,4(219)
СФ-400-9,0-0,2 400 9 219 159 378 0,18 Ø400 Ø360 8 22 КК1-ОПТ8-М20 ОПТ8-d360-М20-2,0(219)
ОПТВ8-d360-М20-2,5-1,4(219)
СФ-700-8,5-0,1 700 8,5 273 219 436 0,23 Ø450 Ø380 12 22 КК1-ОПТ12-М20 ОПТ12-d380-М20-2,0(273)
ОПТВ12-d380-М20-2,5-1,4(273)
СФ-700-8,5-0,2 700 8,5 273 219 436 0,23 Ø450 Ø380 12 22 КК1-ОПТ12-М20 ОПТ12-d380-М20-2,0(273)
ОПТВ12-d380-М20-2,5-1,4(273)
СФ-700-9,0-0,1 700 9 273 219 458 0,23 Ø450 Ø380 12 22 КК1-ОПТ12-М20 ОПТ12-d380-М20-2,0(273)
ОПТВ12-d380-М20-2,5-1,4(273)
СФ-700-9,0-0,2 700 9 273 219 458 0,23 Ø450 Ø380 12 22 КК1-ОПТ12-М20 ОПТ12-d380-М20-2,0(273)
ОПТВ12-d380-М20-2,5-1,4(273)

Оплата возможна как наличным, так и безналичным расчетом (являемся плательщиками НДС). Связавшись с нашими менеджерами, вы сможете уточнить стоимость и сроки доставки материала на ваш объект. Расчеты будут произведены с учетом удаленности вашего объекта от нашей металлобазы и объема заказываемой продукции.

Электронная почта zakaz@asmet-yug.ru и телефон 8(863)209-83-68 для консультации в нашими специалистами., а так же можно заказать обратный звонок и наш менеджер свяжется с вами в течение 10 минут.

Наш специалист предложит подходящий транспорт и грамотно составит маршрут. Материал поставляется с полным пакетом разрешительных и сопроводительных документов.

Уважаемые покупатели, компания АльфаСтройМет  занимается только поставкой металлопроката , у нас нет собственного производства металлоконструкций.

Современное оборудование на складах и разнообразные виды транспорта для перевозок. Доставка осуществляется напрямую со складов нашей компании в Ваш город в день заказа, либо в соответствии с оговоренными с менеджерами отдела продаж и отдела доставки условиями.

Для того, чтобы получить выбранный товар в день заказа, Вам достаточно позвонить 8(863)209-83-68 в нашу компанию до 17:00, либо до этого времени оставить заявку через форму связи на сайте.

Также возможен самовывоз продукции. Оригиналы документов можно забрать из головного офиса, который находится в Краснодаре.

Заказчикам из регионов поставляем материал с помощью транспортных компаний:

  • Деловые линии,
  • ПЭК,
  • КИТ,
  • ЭНЕРГИЯ,
  • Байкал Сервис.

До транспортной компании транспортируем материал БЕСПЛАТНО. Если клиент не указывает своих предпочтений, то его заказ будет доставлен «Деловыми Линиями».  

Приятный бонус для наших оптовых клиентов, находящихся в регионах - при доставке партии товара на сумму от 200 000 руб. - поставка осуществляется совершенно бесплатно!

Гарантия высокого качества
Выбор надежных производителей, входной контроль качества металла
Полная комплектация
Сформируем ваш заказ, даже если некоторых позиций нет в нашем официальном прайс-листе
Быстрая и качественная металлообработка
Возможность расчета он-лайн, исполнение заказа день в день
Мы всегда рядом
Опытные специалисты с многолетним стажем в продажах
Современная логистика
Своевременно. Аккуратно. Сохранно. Технологично. Надежно
Индивидуальный подход к клиенту
Ориентируемся на потребности клиентов, развиваясь вместе с ними
Личный менеджер
Единый центр ответственности для клиента
Скидки
Гибкая система скидок постоянным заказчикам
Похожие товары
Просмотренные товары (4)
Способы связи:
Адрес:
г. Краснодар ул. Сормовская, д. 197/1

Телефон:
8(863)209-83-68


Режим работы:
Пн - Чт: c 8.00 - 18.00
Пт: с 08:00 - 17:00
Сб - Вс: выходной

Заказать звонок

Если у вас возникли вопросы или предложения, мы будем рады их рассмотреть. Для этого заполните форму ниже.